I. 서 론
수중 음향 통신(underwater acoustic communication)의 전송성능은 채널의 시공간적 환경 변동에 영향을 받아 정보전송 성능이 수십 kbps이하로 제한된다.
수중 음향 통신의 전송성능에 영향을 미치는 대표적인 환경요인은 손실(loss), 배경잡음(ambient noise), 다중경로(multipath), 도플러(Doppler) 등이 있다.[1] 이런 환경요인 중 전송성능을 제한하는 주된 요인은 다중경로이다. 다중경로는 채널의 시공간적 변동, 특히 경계면의 반사특성과 송․수신기의 위치변동 등에 의해 영향을 받는다. 이로 인해 다중경로 채널로 송신된 신호는 다중경로의 특성에 따라 진폭, 위상, 주파수, 수신시간 등이 영향을 받는다. 이런 수중 다중경로 채널의 변동성과 성능의 관계에 대해 Chitre[2]등은 수중 다중경로 채널에서 지연확산(delay spread)에 의한 대역폭제한과 경계면 변동 등이 수중 음향 통신 시스템의 전송성능에 영향을 미치는 것을 확인하였다.
수중 다중경로 채널에서 송신신호는 경계면에 반사되어 각 경로를 통해 시간지연(time delay)[3]되어 수신된다. 따라서 채널의 일관성 대역폭이 제한되어, ISI(Inter Symbol Interference)와 주파수 선택성(frequency selectivity)이 증가하여 수중 음향 통신 시스템의 전송성능을 저하시킨다. 수중 다중경로 채널에서 전송성능을 향상시키기 위해 Ribas[4]등은 OFDM기법을 수중 영상 전송에 적용하였다.
OFDM 기법은 채널의 일관성 대역폭이 제한되는 주파수 선택적 페이딩 환경에 강인한 기법이다. 광대역 신호를 협대역(narrowband) 신호로 나누어 각 채널별로 전송함으로써 주파수 선택적 채널을 협대역의 주파수 비 선택적 채널로 근사한다. 그러나 지연확산에 의한 ICI(Inter Carrier Interference)와 특정 부 반송파(sub-carrier)의 깊은 페이딩(deep fading)에 의해 연집오류(burst error)가 발생한다.[5]
이러한 연집오류를 해결하기 위해 컨벌루션 코드(convolutional code), R-S부호(Reed-Solomon code)[6] 및 터보코드(turbo code)와 같은 전방오류정정(forward error correction)기법을 적용한 COFDM이 적용된다.
본 논문에서는 실 해역 평가의 선행 연구로 음향채널의 변수를 용이하게 제어할 수 있는 수조에서 OFDM과 COFDM의 성능을 비교 평가하였다. 전방오류정정 기법은 특정 부반송파의 깊은 페이딩에 의한 연집오류 감소에 효과가 있는 컨벌루션 코드를 적용하였으며 OFDM 부반송파는 4 채널을 사용하였다. 100×100(8bit)이미지의 전송률에 따른 OFDM 각 채널의 주파수 선택성과 오류특성을 해석하였고 OFDM과 COFDM의 성능을 비교 평가하였다.
II. 수중 다중경로 채널에서 지연확산과 주파수 선택성
수중 다중경로 채널은 경계면의 상태와 송·수신기의 위치에 영향을 받는다. Fig. 1과 같이 송신된 신호는 경계면 반사에 의해 각 경로의 지연시간이 달리 수신되며, 각 경로에서 수신되는 신호의 지연은 식(1)과 같다.[7]
여기서
는
번째 전파경로의 길이이며,
는 수중에서의 음속(
)이다.
경계면의 특성에 따른 각 경로의 주파수 응답은 식(2)와 같다.
여기서
는
번째 전파경로의 반사계수이며,
는 각 경로길이에 따른 전파손실,
는 주파수(Hz)이다.
식(1)과 (2)를 이용한 수중 다중경로 채널의 임펄스 응답은 식(3)과 같다.
여기서
는
의 역 푸리에 변환(inverse fast Fourier transform)이다.
다중경로에 의한 RMS(Root Mean Square) 지연확산은 식(4)와 같으며, 식(4)의 평균 초과 지연(mean excess delay)
와 평균 제곱 지연(mean square delay)
는 식(5)와 같다.[8-9]
여기서
는
차 경로의 전력밀도이다. Fig. 2[10]는 일관성 대역폭과 주파수 선택성을 보이는 해상 실험의 결과로 Fig. 2(a)는 직접파의 시간파형이며, Fig. 2(b)는 직접파와 반사파가 존재하는 시간신호이다. Figs. 2(c)과 2(d)는 Figs. 2(a)과 2(b)의 스펙트럼으로 Fig. 2(c)의 직접파의 스펙트럼과 Fig. 2(d)의 직접파 및 반사파의 스펙트럼을 비교하면 Fig. 2(d)는 전송신호 대역폭 내에서 전송신호의 진폭은 주파수에 따라 다른 값을 보여 주파수 선택성이 증가함을 알 수 있다.
|
Fig. 2. Coherence bandwidth and frequency selective channel by delay spread, (a) direct wave, (b) direct and reflection wave, (c) spectrum of direct wave, (d) spectrum of direct and reflection wave. |
식(4)의 RMS 지연확산과 채널의 일관성 대역폭의 관계는 식(6)과 같다.[8]
식(6)에서 채널의 일관성 대역폭
가 송신 신호의 대역폭
보다 넓다면, 송신 신호의 모든 주파수 성분은 Fig. 2(d)에 보이는 왜곡 현상이 없이 수신된다. 반대로 채널의 일관성 대역폭
가 송신 신호의 대역폭
보다 좁다면, 왜곡 현상이 있는 주파수 선택적인 채널로 ISI가 발생하여 오류가 증가한다.
OFDM은 제한된 일관성 대역폭 내에서 각 채널의
를
보다 좁게 하여 전송하는 다중화(multiplexing) 기술이다.
III. OFDM과 COFDM
수중 다중경로 채널에 의해 발생되는 ISI 및 주파수 선택적 페이딩에 의한 성능저하를 향상시키기 위한 방법 중 OFDM 방식이 적용되고 있다.
OFDM방식은 Fig. 3과 같이 다중경로 채널에 적용되는 단일반송파 다중화 전송방식인 FDM(Frequency Division Multiplexing)과 달리 직교성을 갖는 부반송파를 이용하여 상대적으로 대역효율이 높으며, SNR(Signal to Noise Ratio)에 따른 각 부반송파의 데이터 전송률을 조절하여 전송 용량을 크게 향상시킬 수 있다. 또한 채널 대역의 효율적 활용과 지연확산을 보상하는 등화기 적용을 피할 수 있으며, 협대역 간섭에 강한 다중화 방식이다.[5]
Fig. 4는 OFDM의 블록 다이어그램이다. 2진 정보 신호는 직·병렬 변화기를 이용하여 각 부반송파 신호로 분할시켜 QPSK(Quadrature Phase Shift Keying)[10-11]변조한다. 변조된 신호는 IFFT(Inverse Fast Fourier Transform)를 통해 부반송파의 합으로 구성된다. 시간
에서 시작하는 OFDM 심벌은 식(7)과 같으며,[5] 식(7)의 등가 복소수 기저대역의 표현은 식(8)과 같이 나타낼 수 있다.
여기서
는 복소수 형태로 표현된 심벌이며,
은 부반송파의 수이며,
는 심벌구간,
는 반송주파수이다.
Fig. 5는 수중 다중경로 채널에 의한 특정 부 반송파간의 깊은 페이딩에 의한 연집오류를 감소시키기 위해 제안된 COFDM의 블록 다이어그램이다. Fig. 4에서 입력 2진 정보 신호와 직·병렬변환기 사이에 전방오류정정 기법이 추가된 것으로 COFDM에서 적용되는 오류정정 코드는 컨벌루션 코드, R-S 코드, 터보코드 등이 사용되며, 이들 중 컨벌루션 코드는 Fig. 6과 같이 특정 부 반송파의 깊은 페이딩으로 인한 연집오류를 해결하여, 상대적으로 낮은 SNR에 대해 보다 우수한 성능을 보이게 된다.[5]
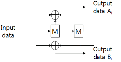
Fig. 7은 본 논문에서 적용한 컨벌루션 코드로 구속장 k=3이고,[13-14] 부호율이 1/2인 인코더의 블록도이다. 컨벌루션 코드는 부호 k 비트의 연속된 각 입력열을 n개의 출력 비트로 맵핑시키며, 간단한 레지스터(register)와 덧셈기로 구현할 수 있다.[5] 주로 AWGN (Additive White Gaussian Noise)채널과 실시간 처리가 요구되는 채널에 구속장 길이를 작게 하여 적용하고 있으며, 컨벌루션 디코드는 비터비(viterbi) 알고리즘[15]이 적용된다.
|
Fig. 5. COFDM block diagram. |
|
Fig. 6. Deep fading at a sub-carrier of COFDM. |
|
Fig. 7. FEC k=3, rate 1/2 convolutional encoder. |
비터비 알고리즘은 최대 유사도(maximum likelihood) 추정을 통해 상대적으로 짧은 구속장의 길이를 갖는 코드의 디코드에 사용된다. 보통 짧은 구속장 길이를 갖는 컨벌루션 코드에 사용되는 비터비 알고리즘은 trellis를 통해 모든 가능성 있는 경로를 비교하여 반복하는 알고리즘이다. 이 알고리즘은 구속장 k=10 이하일 때 적용하며, 간단한 구조를 가진다.
IV. 성능평가 결과
OFDM과 COFDM의 성능평가를 위한 수조 실험의 구성도는 Fig. 8와 같다. 송신기는 ITC-1032, 수신기는 B&K 8106을 사용하였으며, LabVIEW 시스템을 이용하여 성능을 평가하였다.
송·수신기의 수심은 각각 0.3 m이며, 송·수신기의 전송거리는 0.6 m이다. 실내 수조의 수심은 0.6 m로배경잡음은 무시하였다. Table 1은 실험파라메타로 각 부 반송파의 변조방식은 QPSK이며, OFDM의 부 반송파는 4개로 전송대역은 30 kHz ~ 30.6 kHz이다. 각 부 반송파의 전송속도는 50 sps, 100 sps, 200 sps로, OFDM의 전송속도는 각각 200 sps, 400 sps, 800 sps로 4배 증가한 전송속도를 갖는다. 전송 데이터는 100 × 100(8bit) 이미지로 총 80,000 비트를 전송하였다.
Table 2는 각각의 단일 채널에 대한 전송속도와 4채널에 대한 OFDM의 전송속도 그리고 각 부 반송파의 주파수이다.
Fig. 9는 수조의 채널응답특성으로 LFM(Linear Frequency Modulation)신호를 1초 간격으로 총 60초간 수신한 신호의 평균이다. 최대 지연확산 시간은 약 20 ms이며, 식(4)를 이용한 RMS 지연확산은 2.1 ms이며, 식(6)의 RMS 지연확산에 의한 채널의 일관성 대역폭
는 95 Hz로 최대 전송속도는 95 sps 이하로 제한된다. OFDM의 각 부 반송파 채널의 전송률은 최소한 95 sps 이하로 설계되어야 하지만 본 연구에서는 Table 2와 같이 부 반송파 수를 4개로 하고 전송률을 변화시키며 실험하였다.
Fig. 10은 OFDM의 송신신호의 프레임 구조이다. 채널응답 특성 분석을 위한 LFM과 동기를 위해 PN(Pseudo Noise) sequence 그리고 CP(Cyclic Prefix)와 심벌로 구성된 데이터 구간으로 1초 프레임으로 구성하였다. Fig. 11은 수조에서 송신한 신호의 1초 프레임을 수신한 신호이며, Fig. 12는 Table 2에서 보이는 OFDM 전송속도 800 sps에 대한 30 kHz ~ 30.6 kHz의 4개 부 반송파에 대한 주파수 스펙트럼으로 Fig. 6과 같이 다중경로에 의한 페이딩으로 각 부반송파는 서로 다른 크기로 특정 부반송파에서 연집오류가 발생할 것이다.
Fig. 13은 Table 2의 전송속도에 대한 OFDM의 각 부반송파 1부터 4까지에 대한 성상도이다. Fig. 13(a)는 200 sps에 대한 결과로 일관성 대역폭
보다 각 부반송파의 대역폭이 좁아 오류는 발생되지 않는다. Fig. 13(b)는 400 sps에 대한 결과로 일관성 대역폭보다 각 부반송파의 대역이 5 Hz넓다. 이로 인해 대역폭 제한에 의한 ISI와 30.4 kHz에서 발생하는 깊은 페 이딩의 영향을 받기 시작하는 2 번째와 4 번째 채널에서 인접채널의 주파수 대역에 의한 ICI의 영향으로 오류비트가 발생하고 오류율은 약 0.003이었다. Fig. 13(c)는 800 sps에 대한 결과로 각 부반송파의 대역폭이 일관성 대역폭보다 105 Hz 넓다. 이로 인해 ISI의 증가와 주파수 선택적 채널의 깊은 페이딩에 대한 영향으로 인해 2 번째와 3 번째 채널, 특히 3번째 채널 주파수 30.4 kHz에서 오류 비트가 연집으로 발생하고 오류율은 약 0.02 이었다.
|
Fig. 12. Spectrum of received signal to show fading of sub-carrier frequencies at 800 sps. |
|
(a) |
|
(b) |
|
(c) |
Fig. 13. Constellation of each channel for OFDM; (a) 200 sps, (b) 400 sps, and (c) 800 sps. |
수중 다중경로에 의한 일관성 대역폭 제한과 주파수 선택성 증가에 의한 성능 저하를 보이는 Fig. 13의 결과를 개선하기 위해 OFDM에 컨벌루션 코드를 적용한 COFDM의 성능 실험을 수행하였다.
전송속도에 따른 OFDM과 COFDM의 성능 차이는 이미지와 이미지의 오류율로 확인하였다. Fig. 14(a)는 200 sps로 전송한 결과로 각 부반송파 전송 신호 대역폭이 채널 일관성 대역폭보다 좁고 각 채널의 부반송파에 깊은 페이딩이 발생하지 않는 경우이다. 실험결과 OFDM과 COFDM 모두 오류율은 0으로 오류가 발생하지 않았다. Fig. 14(b)는 400 sps로 각 부반송파의 전송신호 대역폭이 일관성 대역폭과 비슷하고 2번 및 4번 채널에 페이딩이 발생하는 경우이다. OFDM의 오류율은 약 0.003이지만, COFDM은 오류가 발생하지 않았다. 이를 통해 전방오류정정 기법인 컨벌루션 코드가 적용된 경우 일관성 대역제한에 의한 ISI와 연집오류를 감소시켜 전송성능이 향상됨을 확인하였다. Fig. 14(c)는 800 sps로 각 부반송파의 전송신호 대역폭이 일관성 대역폭보다 약 2배 넓은 경우로 OFDM의 오류율은 약 0.02이지만, COFDM의 오류율은 약 0.0008로 깊은 페이딩에 의한 개별 부반송파의 오류가 개선되어 전체적으로 약 25 배 오류율이 개선되었다. 따라서 COFDM은 깊은 페이딩에 의한 연집오류와 일관성 대역폭 제한에 의해 발생되는 오류를 정정할 수 있는 능력이 OFDM에 비해 우수하다고 판단된다.
V. 결 론
OFDM은 광대역 전송신호를 협대역 신호로 분리하여 각 부 반송파 채널로 전송함으로써 수중 다중경로에 의한 주파수 선택적 페이딩 오류를 감소시켜 성능 저하를 극복하는 기법이다. 따라서 각 부반송파의 대역이 다중경로에 의해 결정되는 채널 일관성 대역폭보다 넓을 때는 특정 부반송파의 깊은 페이딩 으로 연집 오류가 발생하여 성능이 저하된다. 이를 개선하기 위해 본 연구에서는 OFDM에 전방 오류 정정 코드로 컨벌루션 코드를 적용한 COFDM의 성능을 평가하였다.
OFDM과 COFDM의 성능을 수조 실험을 통해 비교 평가한 결과, OFDM의 각 부 반송파 채널이 다중 경로에 의해 주파수 선택적인 채널이 되는 경우에도 컨벌루션 코드가 적용된 COFDM은 특정 부 채널의 깊은 페이딩에 의한 오류를 감소시키는데 효과적 이었다.




,
,
,
,
,
,
.

,
,
















