I. 서 론
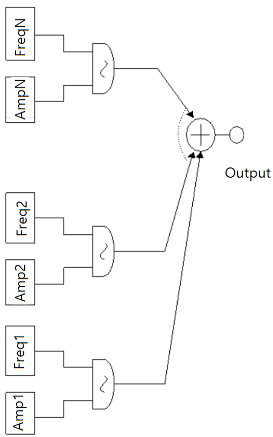
4차 산업 시대는 이제 정보화 지식 사회를 지나 스마트 시대에 살고 있다. 반도체 기술의 비약적인 발전으로 다양한 IT 플랫폼 및 초고속 기기가 속속 등장하여 실시간 멀티 커뮤니케이션 기능이 가능해져 사람과 사람, 사람과 기술 간의 인터렉션이 그 어느 때보다 중요해 졌다. 또, 단순하게 소비자 니즈를 충족하는 수준을 넘어 감성적 접근과 디자인의 역할이 새롭게 조명 받고 있다. 자동차도 이러한 시대 변화와 발전에 부응하기 위하여 자동차 본체 자체가 스마트해지고 있을 뿐만 아니라 자동차에 탑재되는 모든 편의사양들도 점점 스마트하게 진화하고 있다. 본 연구는 보행자의 안전과 운전자의 즐거움을 동시에 충족할 수 있는 멋진 가상의 엔진 소리를 구현하기 위한 System On Chip(SOC) 기술에 관한 것으로 파이프라인 Harvard architecture와 Adaptive Difference PCM(ADPCM) 알고리즘을 제안하였으며 가상 엔진음 제작의 편의성을 위하여 본체와의 통신은 Controller Area Network(CAN), 소리는 미디(Musical Instrument Didital Interface, MIDI) 포맷을 응용하여 기존 기술의 음질 한계를 극복하였다. 엔진음을 만드는 기본 기술은 가산 합성법 / 웨이브 쉐이핑 합성법/ 왜곡을 이용한 합성법 등을 제안 한다. Figs. 1, 2, 3은 본 연구에서 이용한 블록도 이다.
가장 중요한 웨이브 쉐이핑(Wave-shaping)은 왜곡 음원 합성 방식과 유사한 방법으로 FM과 마찬가지로 복잡한 엔진음을 구현하는데 있어서 Additive synthesis에 비해 좀 더 효율적인 방법이다. 하지만 웨이브 쉐이핑에 의한 방법은 대역 제한된 스펙트럼을 발생시킬 수 있다는 점에서 Frequency Moulation(FM)과 다르다. 웨이브 쉐이핑에 의해 발생된 스펙트럼은 음의 크기에 따라 달라지게 되는데, 이러한 변화는 급가속의 엔진음 스펙트럼 특성에 대응되는 것으로 전통적인 가솔린 엔진음과 닮은 엔진 음색을 효율적으로 발생시킬 수 있다. 특히 저음/저속의 엔진음을 발생시킬 때 특히 그러하다. 웨이브 쉐이핑은 원래의 파형과 다른 파형을 얻기 위하여 원래 엔진음의 크기를 왜곡시키는 것이다.[1] 대부분 왜곡은 신호에 악영향을 끼치지만 조심스럽게 제어되는 신호의 왜곡은 젊은 취향의 광범위한 엔진 음색을 만들어 낼 수 있다. FM synthesis와 마찬가지로 웨이브 쉐이핑 역시 스펙트럼의 연속적인 제어가 가능하며 시간에 따라 변화하는 변화무쌍한 스펙트럼을 만들 수 있다.
기본적인 웨이브 쉐이핑의 개략적인 천체적인 신호의 흐름도를 Fig. 2에 나타내었다. 그림에서 중심이 되는 요소는 웨이브쉐이퍼 또는 비선형 신호 발생기라고 불리우며 신호가 이를 통과할 때 왜곡이 일어나게 된다. 이 비선형 신호발생기가 존재하므로 입력의 크기를 증가함에 따라 출력의 파형이 변화하게 된다. 이와 같이 파형이 변화하게 되므로 그의 스펙트럼 역시 변화하게 되고 배음들의 수와 크기가 증가하게 되어 사인파와 같은 간단한 파형으로부터 선형 인터폴레이션(내삽법) 과 5차 계수를 이용한 비션형 인터폴레이션을 이용하여 풍부한 스펙트럼을 갖는 파형을 얻을 수 있다.[2]
II. 본 론
2.1 내부 H/W 구성 및 타이밍도
본 연구에서 제안한 엔진 음 합성 IC 블록도는 아래 Fig. 4와 같다. 엔진 음이 저장되어 있는 Sound MEM 에는 운전자의 취향에 따라 선택할 수 있는 다양한 엔진 음을 저장할 수 있으며, 저가의 음원 모듈에서는 가장 취향에 맞는 엔진 음을 설정하여 IC 내부에 내장 할 수도 있다. 본 연구에서는 다양한 활용 가능성을 두기 위하여 외부에 두는 것으로 설정하였다.
가장 중요한 부분인 Wave generator 부분을 살펴보면, 다양한 비트 레이트로 압축 인코딩 되어 저장된 데이터를 복원하기 위한 디코딩부, 주파수를 결정하는 인터폴레이션 블록과 이를 반복적으로 수행하는 신호처리기의 제어를 위해 어드레스 버스, 데이터 버스, 제어 버스 및 계수가 저장되어 있는 버퍼들이 있고, 엔진 음 특성상 선형 반복적인 웨이브의 재현을 위한 제어 동작 시 필요한 24 MHz 파형과 SIO에 필요한 1 MHz 펄스파형 등을 발생시키는 clock 발생부, 이 시스템의 reset 및 halt를 위한 로직들로 구성되어 있다. 엑셀레이터가 눌려 Revolution Per Minute (RPM)이 올라가기 시작했을 때 디코더에서 RPM 의 고속. 중속. 저속 값에 따라 계산되어서 온 정보인 테이블에 저장된 계수를 받아 프로그램 메모리에서 전달 된 선형 혹은 비선형 인터폴레이션 계수의 피치 값을 보정하거나 그대로 이용하여 1차의 선형 방정식과 3차의 다항식 비선형 방정식에 의해 해당 RPM 에 맞는 엔진 음을 발생 시켜준다.
아래 Fig. 5는 하나의 로직으로 전체 16 채널의 엔진 음을 구현하기 위한 중첩적인 구조를 나타낸 것 이다.
아래 Fig. 6은 급가속시의 엔진음을 구현하기 위한 엔벨롭의 대표적인 그래프이다.
기존의 가솔린 엔진음은 어텍과 디케이 부분의 파형은 급격히 변하는 성분이 많이 포함되어 매 주기의 파형이 불규칙하고 변화가 심하다. 반면 디케이를 지나면서 써스테인 부분으로 들어서면 파형은 안정 해져서 각주기의 파형이 거의 같은 모양을 갖게 된다. 따라서 이후 뒷부분의 파형을 전부 사용하는 대신 일정한 길이만큼의 파형만을 사용해서, 그 부분을 계속 반복함으로써 데이터 양을 줄일 수 있다. 반복 파형을 얻기 위해 먼저 녹음된 엔진 음 파형을 정규화 된 파형과 엔벨롭으로 나눈다. 정규화 된 파형으로부터 어텍 파형을 얻는다. 다음 Eq. (1)으로 부터는 루핑용 반복 파형의 길이를 추출한다.
여기서
N ; compare length
L ; interval limit
2.2 엔진음 시뮬레이션 결과
본 연구에서 제안한 IC 의 알고리즘을 시뮬레이션 한 결과는 아래 Fig. 7과 같다. 먼저 위 정규화 된 엔진음의 원음 주기 별 스케일 계수를 분할 crossfading loop 방식에 의해 생성된 데이터와 곱하면 반복음의 시작과 끝에서 생기는 왜곡음을 현저히 낮출 수 있어 매우 중요하다.[3]
아래 Fig. 7은 압축된 데이터를 디코딩 하면서 Crossfading 한 웨이브의 변화 과정을 시뮬레이션 한 결과를 보인 것이다. 데이터 복원을 위한 정확한 스케일 계수를 찾을 때는 연속적인 주기의 파워를 비교하는 방법과 단순 크기를 비교하는 방식이 있는데 파워를 이용하는 방식이 전체적인 음량 비교에 더욱 효과적이다. crossfading 할 때 가장 최적의 주기를 찾는 것이 중요하며 하나의 주기를 이용할 것인지 여러 개의 주기를 선택 이용할 것인지는 엔진음의 종류에 따라 모두 다르다.
Fig. 7은 원 엔진 음 데이터와 인접 정보의 차를 ADPCM 으로 압축한 데이터를 디코딩 하여 재생하였다.
Fig. 8은 현재 출력과 다음 번 Lookup 테이블의 출력을 합산하여 다음 출력을 만드는 디코더이다. 비트 레이트 를 4 bit 에서 8 bit 까지 가변 할 수 있다.
엔진음의 변화 과정 전체를 녹음 및 샘플링 하여 메모리에 저장하는 것은 불가능하고 운전자의 습관과 RPM 변화를 인지하여 원음이 가지고 있던 주파수와 크기의 변화를 아래 Eqs. (2)와 (3)의 간단한 수식에 의하여 피치 시푸팅을 이용한 방법으로 원음을 변조시켜 음색의 변화를 다양하게 만들 수 있다. 고정된 계수에 의한 피치 시푸팅한 결과를 위 Fig. 9에 나타내었다. 인터폴레이션 알고리즘으로는 간단한 선형 방정식으로 표시되는 y = ax 함수를 대부분 사용하였고, 고주파가 많이 포함된 엔진음은 데이터를 더 줄이는 서브샘플링 개념을 적용하였다.
Eq. (2)는 계수 a, b에 의해 간단한 선형방정식에 의해 두 지점간의 사이 값을 구하는 것이고 Eq. (3)은 좀 더 정확한 사이 값을 위해서 계수를 3개 사용하는 수식이다.
본 연구에서는 비선형적으로 표시되는 3차원 함수를 사용하였다. 데이터의 서브샘플링과 비선형 인터폴레이션을 적절히 이용하면 최대 1/24까지 데이터를 축소할 수 있고, 엔진 음 편집과정에서 RPM 별 엔진 음 조절시 Pitch 변화를 적절한 구간에서 응용하여 다양한 성분의 주파수 생성과 좀 더 실감나는 자연의 엔진 음을 구현 할 수 있다. 계수들의 전체 비트수는 16 Bit으로 충분하며 소수점은 Q14 형식을 적용하였다.[4]
아래 Fig. 10은 채널 한 개를 On 하기 위한 각종 계수 파라미터를 모아 놓은 테이블 이다. 메인 CPU로 부터 버퍼 메모리로 넘어온 Layer-id + 차량 엑셀 세기 정보 의 16 bit 정보를 받아서 Layer ON시에는 채널을 할당해 주고 미리 저장된 인터폴레이션 계수 및 DMAC의 타이밍 제어를 통해 소리를 재생해 주며 레이어 OFF시에는 채널을 회수 한다. 소리가 저장된 메모리와 테이블이 저장된 메모리, 프로그램 메모리의 세 개 요소가 있다. 소리저장 메모리에는 ADPCM 방식 소리 정보가 들어 있으며 오직 DMAC만이 엑세스 가능하다. 테이블 메모리에는 프로그램 수행 과정에서 필요한 각 엔진음 정보 및 초기 시작 어드레스 등이 들어 있다. 이 메모리는 최종 사운드 롬에 내장 시켰다. 각 채널 할당은 스택 오퍼레이션과 유사하게 동작한다. 즉 16 채널 중 어느 한 채널을 사용하고자 할 때는 스텍 포인터가 가리키는 내용을 읽어내면서 일률적으로 증가 시키고, 사용했던 채널을 회수할 때는 스텍 포인터를 미리 감쇄 시키면서 다시 저장한다. 16 채널이 모두 사용되어진 상태에서 새로운 채널이 요구될 때는 맨 처음 시작하여 사용한 채널로 재사용 한다.
2.3 알고리즘 수행 하드웨어 구성
본 연구의 시스템 하드웨어는 Fig. 11로 표현된다. 미디는 전자음악에서 사용하는 악기간의 통신 프로토콜로 본 연구에서는 개발자가 사용하기 편리하게 미디를 자동차의 종류로 대응시켜 본 포멧을 엔진 음 구현에 그대로 사용 하였다.[5]
Fig. 11은 전체 엔진음 발생 시스템은 외부에서 미디나 웨이브 데이터를 받을 수 있는 미디 버퍼와 웨이브 버퍼가 각각 있다. 외부명령해석회로는 외부 호스트에서 써주는 데이터가 언제 시작되는지, 언제 끝나는지, 버퍼 메모리를 미디 버퍼(Pre-Setting 엔진 음) 와 웨이브 버퍼(Down-Loading 엔진 음)로 꼭 나누어야 하는지, 버퍼를 나누지 않고 한가지로만 즉, 축약된 미디 데이터만 받을 것인지 웨이브 데이터만 받아도 되는지를 즉, 미디나 웨이브 중 한가지로만 사용해도 되는지를 결정하고, 수신된 데이터가 특정시간 동안 없으니 슬립모드로 가도 되는지, 슬립모드에서 깨어나려면 어떤 조건을 주어야 하는지, 웨이브 데이터 이면 자동구간반복 기능이 있는지, 정상적인 웨이브 이면 속도변환이 필요한지 필요 없는지 등을 결정하는 중개자 역할을 한다.[6] 미디명령해석회로는 외부명령해석회로(씨퀀서)를 통하여 명령의 시작과 끝을 판독하여 시작을 알리는 명령이면 외부 버퍼를 읽는다. 이때 버퍼의 내용에 따라 엔진음의 시작과 끝을 판단하고 시작일 경우에는 내부 DSP 기능부분에 적당한 채널을 할당하여 소리의 시작을 알리고 소리가 발생하는 도중에 소리의 혼 변조가 필요할 때는 미디에서 지시하는 명령에 의하여 해당 채널의 변조회로에 정보를 전달해 준다. 미디명령전달회로는 미디명령해석회로가 미디명령을 해석해서 적당한 데이터를 소리발생부의 하나인 어드레스 페이즈 변조회로에 전달할 때 해석된 명령에 따라 정해진 순서대로 필요한 정보를 써넣는 회로로서 크기, 주파수, 할당채널번호, 소리의 길이 등의 정보를 전달해 준다. 이때 하나의 명령의 전달이 아직 수행이 안 됐을 때 다음명령의 통제를 할 수 있는 통제회로가 그 기능을 해준다. 웨이브속도 변환회로는 원하는 속도로 변환된 웨이브 신호를 최종 데이터 변조회로에 전달해주어 각종 데이터메모리를 통하여 들어온 데어터와 최종 혼합 변조를 할 수 있도록 해준다. 데이터 메모리는 엔진 음색 데이터 메모리, 음 크기 조절 데이터 메모리, 음 변조 데이터 메모리 등을 포함한다. 만일 세 가지의 데이터(엔진 음색, 크기조절, 음 변조) 중 두개 이상이 동일한 싸이클에 동시에 읽으려고 할 때는 엔진 음색 데이터 메모리에 최우선권을 주고 다음 두가지(음 크기, 음 변조 )의 우선권은 임의로 한다. 다중 화음제어회로는 정상적인 내부 데이터 메모리를 사용하는 미디음과 자동구간반복메모리를 사용하는 미디 음, 속도변화가 발생된 웨이브를 통합적으로 동시에 소리를 만들 수 있도록 음을 혼합하는 동시발생회로 이다.
Fig. 12는 본 연구의 최종 결과인 SoC의 레이아웃 구조도 이다.
1. Controller part : MIDI Rx / Tx, I2S / I2C
2. Controller memory part
3. Sound memory1 : Engine sound parameter 1
4. Sound memory address controller
5. Sound memory2 : Engine sound parameter 2
6. Sub memory direct access part
7. DSP engine 1 : High definition filter / Env cal block
8. DSP engine 2 : Modulation / Time varying filter
9. DSP Parameter storage RAM : 16 / 32 / 8 Bit
III. 결론 및 향후 과제
본 논문은 엔진이 없는 전기차의 가상 엔진 음을 만드는 음원 IC에 관한 연구로 최종 16개의 엔진음을 동시에 발생시킬 수 있는 구조로 되어 있고, 소리의 생성을 위하여 합성음이 섞이지 않은 일반 가솔린 자동차에서 발생되는 음을 전자적인 방식으로 재생하는 기능과 일반 웨이브 혹은 미디 신호에 특정 효과음(sound modification / editing)정보를 오디오 정보와 섞어서 처리해 줄 수 있는 기능을 갖고 있다. 또한 전자 엔진 음 합성을 간단히 하기 위해 외부 중앙처리 CPU 와의 데이터 전달을 단순화하여 순차적으로 정보를 주고받을 수 있는 구조로 0.18마이크론 공정의 반도체 제조 공정을 이용하여 시제품을 설계 및 제작하였다. 본 IC의 기본은 샘플링 방식에 의한 엔진 음 합성 형식이라 할 수 있는데 이는 디지털 시그날 프로세싱 이론을 이용하여 자동차 엔진 음을 전자적으로 완벽히 재생할 수 있는 가능성을 보여주는 결과라고 할 수 있다.















